全国统一服务电话

0371-6777 2727
扫码拨打二维码
扫码拨打扫码拨打
  1. 网站首页 >
  2. 新闻中心 >
  3. 行业新闻 >
  4. 简摆颚式破碎机的结构设计及原理

简摆颚式破碎机的结构设计及原理

发布时间:2012-07-17 09:52:17 更新时间:2018-10-27 08:43:57 作者:银河官网机器 免费咨询箭头

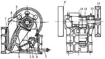
颚式破碎机

简摆颚式破碎机属于六杆机构中曲柄双摇杆机构的应用,其中曲柄为主动件。动颚心轴位置提高解决了一般简摆颚式破碎机的缺点,即消除了动颚上部与下部水平行程的巨大差异,提高了物流流量。

简摆颚式破碎机的结构原理示意图

简摆颚式破碎机的结构分析与改进

简摆颚式破碎机的动颚垂直行程小,虽然克服了复摆颚式破碎机垂直行程大的缺点,但它的上部水平行程小(破碎腔上部皆为较大的矿块,欲破碎它们,需要较大的水平行程),因此,该破碎机不能充分满足矿石破碎所要求的压缩量,破碎效果差。如果增大动颚上部的水平行程,则必然会使下部水平行程增大,从而造成产品粒度更加不均匀。为了消除这一缺陷,在借鉴国外经验的基础上,将一般简摆颚式破碎机改进为心轴上提式,即把动颚心轴的位置提高,并向前移动至破碎腔啮角的分角线上,改进后的结构如下图2所示。

改进后的简摆颚式破碎机的结构原理示意图

图2 改进后的简摆颚式破碎机的结构原理示意图

简摆颚式破碎机的工作原理

通过动颚的周期性运动来破碎物料。在动颚绕悬挂心轴向固定颚摆动过程中,位于两颚之间的物料便受到挤压、劈裂和弯曲等综合作用,开始时,压力较小,使物料的体积缩小,物料之间互相靠近、挤紧,当压力上升到超过物料所能承受的强度时,即发生破碎。当动颚离开固定颚向反方向摆动时,物料靠自重向下运动。动颚的每一个周期性运动都会使物料受到一次压碎作用,并向下排送一段距离。经过若干周期后,被破碎的物料便从排料口排出机外。

简摆颚式破碎机结构参数的选择与计算

1、给矿口与排矿口的尺寸

给矿口宽度(B)和排矿口较小宽度(e)可南下式计算;

B = (1.1—1.25)Dmax ,

e = Dmax - s= (1/5~1/7)B。 式中:Dmax为物料较大尺寸;s为动颚的摆动行程。

2、确定啮角

啮角为经验值,可取啮角α=22°~24°。

3、动颚的摆动行程

经验数值,动颚的摆动行程s=12—15mm。

4、偏心轴的偏心距

偏心距r≈s。

5、破碎腔高度与形状

破碎腔的高度H =(2.25—2.5)B,采用曲线型破碎腔。与直线型破碎腔相比,曲线型破碎腔有以下优点:①生产率高;②破碎比大,产品粒度均匀;③ 破碎腔下端衬板的磨损度小,延长了衬板的使用寿命;④ 动力消耗小。

6、动颚轴承中心距给矿口平面的高度

简摆颚式破碎机动颚轴承中心距给矿口平面的高度h为:(0.37—0.4)L≥h≥0.2L。根据试验,当生产率达到较大值时,动颚悬挂点的合适高度为h= (0.37~0.5)L,式中L为动颚长度。

7、偏心距(r)对连杆长度(l)的比值(λ)

对于中小型破碎机,通常r= l/65 — l/85,l= (0.85 l~0.9)L。

结构的计算机辅助设计

1、推力板长度确定

Kmin = 16.5r,Kmax = 25r。

2、结构确定

根据所求的量及其几何关系,用计算机进行辅助设计,利用CAD绘出结构图,并用DIST命令测出前后推力板K1、K2的长度,摆动角α和推力倾角β。如图3所示。

简摆颚式破碎机CAD结构示薏图

图3 简摆颚式破碎机CAD结构示意图

工作参数的选择与计算

1、动颚的摆动次数(偏心轴转速)

n=665(tgαl+tgα2)/s) 1/2。

2、生产率

Q =K1K2q0eδ/1.6(t/h)式中:K1为矿石可碎性系数;K2为粒度修正系数;q0为单位排矿口宽度的生产能力,t/mm ·h;δ为矿石的松散比密度,t/m3。

3、电动机的功率

N ≈ 1OLHsn .式中:H为固定颚板的计算高度,m。

4、破碎力

Pmax = qLH 式中:Pmax 为较大破碎力。

5、破碎功

W = s' F = s' Pmax ,式中:s' 为破碎力到作用点的行程。

6、各部件的受力分析。计算颚式破碎机各个零件的强度和刚度以前,必须先求得作用在各个部件上的外力,计算破碎力Pjs 是确定这些外力的原始数据。根据Pjs 利用图解法即可求得各个部件上的计算载荷。各部件受力如图4,可求得各项力的值。

颚式破碎机各部件受力图

图4 颚式破碎机各部件受力图

结论

动颚心轴位置提高而且向前移动到破碎腔啮角分线上解决了一般简摆颚式破碎机的缺点,即消除了动颚上部与下部水平行程的巨大差异,提高了物流量。在保持原有生产量的基础上大大增加了破碎量,使破碎机朝着大型化、高生产率的方向发展,扩大了颚式破碎机的应用范围。同时由于采用计算机辅助设计,利用CAD的精确绘图,DIST自动测量,减少了手工设计带来的大量误差,增加了破碎机结构设计的准确性。

颚式破碎机厂区图

专业解答客户问题

结合实际配置方案

上门安装调试设备

定期回访与检测

24小时咨询热线:

0371-67772727
在线留言 报价清晰 材料透明 省钱省心

免费提供设备报价、方案设计等服务,欢迎您随时咨询,我们将第一时间给予回复

  • 姓名:
  • 联系方式*
  • 您的需求:
    点击快捷留言点击快捷留言
    点击关闭

    01.鹅卵石制砂用什么设备?

    02.建筑垃圾处理用哪种机器好?

    03.移动式的破碎设备需要投入多少钱?

    04.我想要一套碎石生产线设备详细的配置方案和报价

    05.履带式移动破碎机价格多少?

工厂位置